Zgodnie z zaleceniem normy PN-EN 61439-2 (Załącznik BB, Tablica BB.1 – środowisko instalacji) przewidywane elektromagnetyczne środowisko pracy zestawu rozdzielczego lub sterowniczego powinno być uzgodnione z klientem. Wynika to faktu, iż producent nie zawsze musi mieć wiedzę, co do docelowego miejsca instalacji. Często zmiana środowiska jest możliwa po uzupełnieniu zestawu o dodatkowe (oferowane) opcje, powinna o tym wówczas mówić instrukcja obsługi. Instrukcja obsługi oraz cały projekt jest tworzona w znacznym stopniu na podstawie informacji zawartych w instrukcjach obsługi urządzeń i innych komponentów wchodzących w skład zestawu.

zasady i korzysci wykorzystania normy pn en 61439 1 i 2 do budowy rozdzielnic i sterownic niskiego napiecia Rys. 1. Przemiennik częstotliwości: z wbudowanym filtrem klasy A1 (LS) i widok uzupełniających filtrów klasy B1 (po prawej).

Dla lepszego zrozumienia tego zagadnienia posłużmy się przykładem z dziedziny napędu elektrycznego. W tym celu sięgnijmy do instrukcji przykładowego przekształtnika częstotliwości (rysunek 1). Przekształtnik częstotliwości można często nabyć bez filtra sieciowego (chroniącego sieć zasilającą przed oddziaływaniem szkodliwych harmonicznych generowanych przez jego obwód energoelektroniczny).

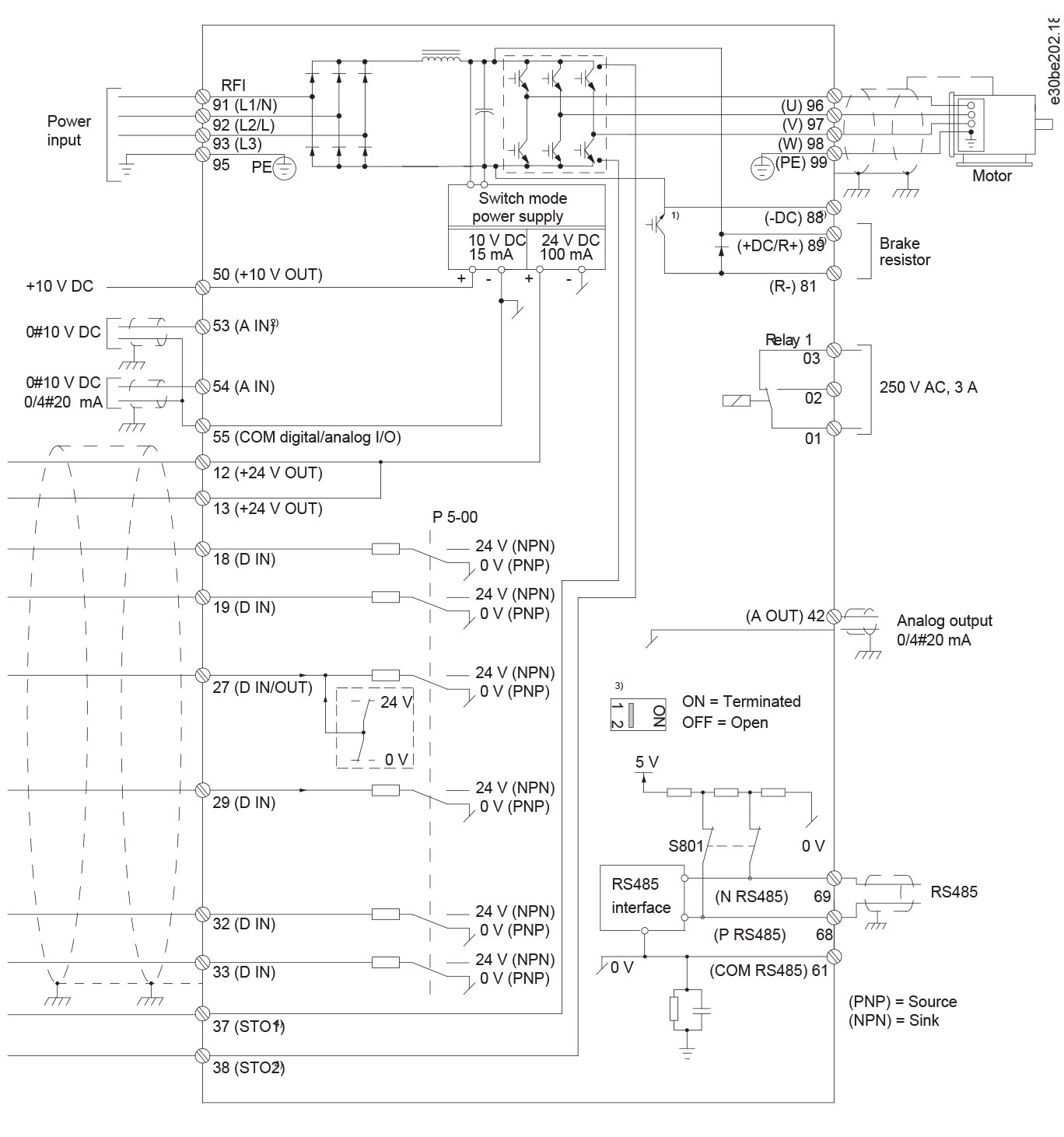
zasady i korzysci wykorzystania normy pn en 61439 1 i 2 do budowy rozdzielnic i sterownic niskiego napiecia2Rys 2.Schemat aplikacyjny przekształtnika częstotliwości typ VLT FC280 (Danfoss) z widocznymi ekranami kabli. Należy zwrócić uwagę na łączenie ekranów na obu końcach kabli z masą układu, generalnie z pominięciem jedynie przewodów sygnałów analogowych(o czym będzie jeszcze mowa niżej).

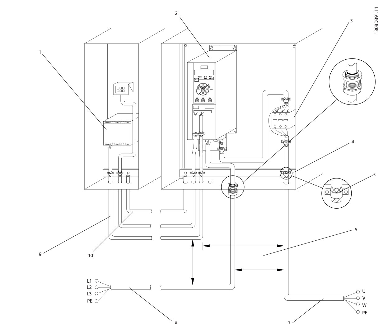
Urządzenie takie nie powinno pracować w układzie podłączonym do sieci, ani w obszarze przemysłowym, ani w obszarze mieszkalnym, komercyjnym i lekko uprzemysłowionym. Do obszaru przemysłowego (A1) można zgodnie z wymaganiami dyrektywy EMC stosować urządzenia z wbudowanym filtrem A1, lecz nie można ich stosować w obszarze mieszkalnym, dopóki nie wyposaży się ich dodatkowo w filtr B1 (rysunek 1.). Potencjalny użytkownik powinien być o tym uprzedzony w instrukcji urządzenia. Opis budowy zestawu widocznego na rysunku 3.:

zasady i korzysci wykorzystania normy pn en 61439 1 i 2 do budowy rozdzielnic i sterownic niskiego napiecia3Rys 3.Sposób instalacji przekształtnika VLT FC280 (Danfoss) zalecany w instrukcji producenta.

1. Sterownik programowalny (PLC) – urządzenie mające znaczny wpływ na zachowanie się zespołu (maszyny, sterownicy). W wypadku zakłócenia może wywołać niepożądane (nieoczekiwane) ruchy napędów, zaworów, siłowników itd.

2. Przekształtnik częstotliwości – główne źródło zakłóceń elektromagnetycznych (EMC) w prezentowanym zestawie.

3. Stycznik wyjściowy – odcinający dopływ energii elektrycznej do silnika. Pozwala on na fizyczną separację galwaniczną silnika od zasilania. Nagłe otwarcie tego stycznika pod obciążeniem w wyniku występowania znacznej indukcyjności w silniku (oraz kablu łączącym falownik z silnikiem – zwłaszcza przy większej jego długości) prowadzi do powstania przepięcia na wyjściu falownika, wskutek tego do uszkodzenia układu tranzystorów IGBT generujących przebieg wyjściowego napięcia o regulowanej częstotliwości. 

4. Zbiorcza szyna masy (PE) – zgodnie z obecnym stanem wiedzy zestaw powinien taką szynę posiadać, ponieważ ma ona bardzo korzystny wpływ na kompatybilność elektromagnetyczną układu. Obecnie w przypadku układów, w których występują wyższe częstotliwości napięcia i prądu, nie należy raczej mówić o uziemieniu, lecz o połączeniu z masą i połączeniach wyrównawczych.

5. Końcowa część kabla zasilającego silnik, który powinien być ekranowany (np. Topflex EMV-3 Plus, rysunek 4.). Ponieważ kształt połączenia końca ekranu kabla ma decydujące znaczenie dla wartości impedancji falowej przy wyższych częstotliwościach, które tu występują, należy ekran połączyć trwałym i pewnym stykiem z masą układu na pełnym jego obwodzie. Zaleca się, aby takie połączenie realizować jak najczęściej jest to możliwe, a w szczególności na każdym zakończeniu ekranu, o ile musi on ze względów konstrukcyjnych być przerwany, jak w przypadku zastosowania wspomnianego już wyżej stycznika wyjściowego.

6. Zaleca się zapewnienie znaczących (przynajmniej 200 milimetrowych) odstępów pomiędzy zakłócającymi kablami siłowymi (zasilania silnika), a sygnałowymi mogącymi być łatwo zakłóconymi. W wypadku, gdy kable te muszą w systemie się mijać, należy do realizować poprzez ustawienie ich pod kątem prostym, co minimalizuje oddziaływanie elektromagnetyczne.

7. Końcówka kabla służąca do podłączenia silnika indukcyjnego. Ponieważ kabel silnikowy powinien zgodnie z zasadami kompatybilności elektromagnetycznej być uziemiony na obydwu końcach, czyli do szyny zbiorczej w sterownicy (patrz punkt 5. powyżej) i do obudowy skrzynki zasilającej silnika. W tym drugim przypadku zaleca się zastosowanie dławicy w wykonaniu zapewniającym połączenie ekranu z masą układu (tu obudowa silnika) również na pełnym jego obwodzie. W tym celu należy zastosować dławicę jak na rysunku 5. (np. KVA-XXL-MS-E lub HE -LUTOP MS-EP).

8. Kabel zasilający – z punktu widzenia kompatybilności elektromagnetycznej najkorzystniejszy jest układ zasilania TN-S, a zatem w przypadku zasilania autonomicznego 3-fazowego przekształtnika częstotliwości zaleca się stosować kabel czterożyłowy, z żyłą ochronną (ŻO), a w przypadku 1-fazowym trzyżyłowy z żyłami: fazową, neutralną i ochronną (L1, N i ŻO). Zasilanie obwodów sterowania najkorzystniej jest realizować za pomocą transformatora sterowania o przekładni 400/230 V – a zatem połączonego na wejściu międzyfazowo.

9. Okablowanie obwodów sterowania powinno być w miarę potrzeb i realizowane z ekranowaniem i jak już wyżej wspomniano w możliwie znacznej odległości od kabli siłowych, wyjściowych z falowników.

zasady i korzysci wykorzystania normy pn en 61439 1 i 2 do budowy rozdzielnic i sterownic niskiego napiecia4 Rys. 4 Kabel podwójnie ekranowany stosowany do zasilania silników indukcyjnych z przekształtników częstotliwości. Tu w wersji symetrycznej osiowo, co ma duże znaczenie dla połączeń długich. Kabel ten posiada również zmniejszoną pojemność pasożytniczą, co zmniejsza obciążenie falownika prądem upływu. Na rysunku pokazano wersję kabla odporną dodatkowo na promieniowanie UV, czyli zalecaną do stosowania do połączeń zewnętrznych.

W przypadku kabli sygnałowych warunek obustronnego połączenia masy nie jest już tak oczywisty, ponieważ przepływ prądów pasożytniczych, na poziomie kilku lub więcej amperów (normalny dla dużych przekrojów czynnych ekranów kabli silnikowych)mógłby zniszczyć delikatniejsze kable sygnałowe, zatem stosuje się połączenie obustronne, lecz z jednej strony połączone poprzez niewielki kondensator,który dla wyższych częstotliwości stanowi zwarcie, a dla niższych (energetycznych)przerwę.

zasady i korzysci wykorzystania normy pn en 61439 1 i 2 do budowy rozdzielnic i sterownic niskiego napiecia5 Rys. 5 Dławice kablowe opisane w punkcie 7.

10. W wypadku zastosowania osobnych obudów dla układów napędowych i sterowania należy zastosować połączenia wyrównawcze masy. Wykonuje się je kablami lub przewodami jednożyłowymi PE lub lepiej za pomocą plecionek płaskich z okutymi końcówkami (rysunek 8.).

zasady i korzysci wykorzystania normy pn en 61439 1 i 2 do budowy rozdzielnic i sterownic niskiego napiecia6 Rys. 6 Przykład kabla zasilania odpornego mechanicznie i na warunki zewnętrzne typ H07RN-F.

Widoczne na rysunku 8. plecionki płaskie są również idealnym rozwiązaniem do połączenia drzwi lub blach obudów zestawów w wypadku układów z przekształtnikami ze względu na niską (np. 20 mniejszą niż dla połączeń o przekroju okrągłym) impedancję falową.

zasady i korzysci wykorzystania normy pn en 61439 1 i 2 do budowy rozdzielnic i sterownic niskiego napiecia7 Rys. 7. Sterowniczy kabel ekranowany typ JZ-500_FC-PUR (wyżej) i przemysłowy kabel sieciowy 4 pary, kategoria 5e Ethernet typ S-FTP HELUKAT 100S.
zasady i korzysci wykorzystania normy pn en 61439 1 i 2 do budowy rozdzielnic i sterownic niskiego napiecia8 Rys.8.Przewód jednożyłowy typ TOPFLEX 303 X07V-K-Y0.
zasady i korzysci wykorzystania normy pn en 61439 1 i 2 do budowy rozdzielnic i sterownic niskiego napiecia9 Rys.9.Plecionka uziemiająca płaska Cu typ HELU-MB-CUv.

mgr inż. Marek Trajdos
Konsultant ds. technicznych
HELUKABEL Polska


Więcej na temat:


x