Konkurs „Nowatorska elektryka” to szansa dla młodzieży szkół technicznych na rozwój i realizację swoich zawodowych pasji. Prace zgłoszone do rywalizacji zaskoczyły organizatorów nie tylko wysokim poziomem. Duże wrażenie zrobiła pomysłowość i oryginalność proponowanych rozwiązań. Poniżej prezentujemy zwycięską pracę przygotowaną przez uczniów z Zespołu Szkół Mechanicznych w Raciborzu. Pozostałe prace finalistów przybliżymy w kolejnych numerach Fachowego Elektryka.

Fot. 1. Model instalacji.Fot. 1. Model instalacji.

Zamiana tej energii na energię elektryczną, magazynowanie jej i dalsze wykorzystanie np. do oświetlania klatek schodowych, podświetlania lub wyświetlania znaków informacyjnych (w tym kierunków ewakuacji), numerów domu itp.

Dobór prądnicy

Pierwszym elementem w układzie odzysku energii elektrycznej z ruchu obrotowego drzwi jest prądnica. Dobór przetwornika elektromechanicznego okazał się sporym problemem, ponieważ uzyskiwana prędkość obrotowa drzwi jest stosunkowo niska. Otwieranie drzwi o 90° trwa średnio 3 sekundy, co daje około 5 obr./min.

Poszukiwania odpowiedniej prądnicy rozpoczęto od testów popularnego dynama rowerowego, które ma odpowiednią moc, ale niestety moc ta uzyskiwana jest przy wysokiej prędkości obrotowej – ponad 1000 obr./min. Napęd poprzez wykorzystanie obracającego się wału np. samozamykacza wymagałby zastosowania przekładni 1:200, co było technicznie bardzo trudne do zrealizowania.

Fot 2. Listwa zębata zamocowana przegubowo na ścianie nad drzwiami i połączona bezpośrednio z kołem zębatym przymocowanym do prądnicy.Fot 2. Listwa zębata zamocowana przegubowo na ścianie nad drzwiami i połączona bezpośrednio z kołem zębatym przymocowanym do prądnicy.

Następnie przetestowano kilka hybrydowych silników krokowych, jednak ich konstrukcja pod kątem silnika powodowała, że uzyskiwano albo odpowiednie napięcie, albo odpowiedni prąd – mocy jednak było wciąż za mało.

Fot. 3. Mocowanie prądnicy do drzwi.Fot. 3. Mocowanie prądnicy do drzwi.

Rozwiązaniem, na które się zdecydowano, to prądnica montowana w piaście koła rowerowego. Moc dostarczana przez takie dynamo jest porównywalna ze zwykłym, tj. ok. 3 W, natomiast ze względu na miejsce montażu, jest ona uzyskiwana przy znacznie niższej prędkości obrotowej. Prądnica wytwarza znamionowe napięcie i prąd już przy 20 obr./min.

Dobór przekładni mechanicznej

Zastosowanie wolnoobrotowej prądnicy, montowanej w piaście koła rowerowego, było korzystne ze względu na małą prędkość kątową otwieranych i zamykanych drzwi, jednak uzyskanie większej ilości energii elektrycznej wymagało jak największej liczby obrotów prądnicy w jednym cyklu otwierania i zamykania. Również moment napędowy prądnicy obciążonej jest stosunkowo duży. Nietypowy jest również sposób mocowania prądnicy- nieruchoma oś i ruchomy korpus.

Fot. 4. Ułożyskowany uchwyt mocowany na prądnicy i prowadzący listwę zębatą.Fot. 4. Ułożyskowany uchwyt mocowany na prądnicy i prowadzący listwę zębatą.

Problem ten rozwiązano stosując listwę zębatą 10×10 mm Moduł1 o długości 1000 mm, zamocowaną przegubowo na ścianie nad drzwiami, połączoną bezpośrednio z kołem zębatym M1z49, przymocowanym do prądnicy.

Koło zębate osadzone jest na łączniku. W jednym cyklu (otwieranie i zamykanie) uzyskano 8 obrotów prądnicy z prędkością około 60 obr./min. Ilość tę można zwiększyć, zwiększając odległość mocowania prądnicy od osi obrotu (zawiasów drzwi). Największą trudnością było sprzężenie listwy zębatej z prądnicą. Prądnica do drzwi mocowana jest jedną śrubą na specjalnym uchwycie, a obraca się cały jej korpus.

Zaprojektowano i wykonano specjalny ułożyskowany uchwyt mocowany na prądnicy i prowadzący listwę zębatą.

Fot. 5. Ułożyskowany uchwyt mocowany na prądnicy i prowadzący listwę zębatą - widok z góry.Fot. 5. Ułożyskowany uchwyt mocowany na prądnicy i prowadzący listwę zębatą - widok z góry.

Uchwyt ten dociska i podtrzymuje listwę zębatą niezależnie od ustawienia jej w stosunku do drzwi. Praca układu jest płynna i prawie niezauważalna przez osobę otwierającą drzwi.

Masa drzwi w modelu jest mniejsza od rzeczywistych. W rzeczywistości drzwi są osadzone w dużo stabilniejszej ścianie.

Projekt i wykonanie części elektronicznej

Podczas prób uzyskano napięcia obciążonej prądnicy rzędu 3 - 6 V oraz odpowiadające prądy rzędu 0,2 - 0,4 A. Rozrzut wartości wynikał z szybkości otwierania i zamykania drzwi. Prądnica bez obciążenia generowała znacznie wyższe napięcia, co groziło przepięciami w uzwojeniach i jej uszkodzeniem. Zdecydowano się, tak jak to ma miejsce w podstawowej aplikacji dynama, nie pozostawiać jej bez obciążenia.

Ze względu na impulsowy charakter ładowania akumulatora nie zdecydowano się na nowoczesne akumulatory litowo-jonowe lub wodorkowe, ponieważ poprawność ich działania polega na długotrwałym ładowaniu stałą wartością prądu.

Do magazynowania energii wybrano starsze rozwiązane w postaci akumulatora niklowo-kadmowego, który jest nieczuły na impulsowe ładowanie. W przypadku krótkich cykli można go ładować stosunkowo dużym prądem. Uwzględniając przewidywalny bilans energii, wybrano akumulator polskiej firmy NRG o napięciu 3,6 V i pojemności 1,5 Ah. Napięcie akumulatora 3,6 V zostało dobrane tak, aby można było użyć diod LED dużej mocy, których napięcie przewodzenia wynosi około 3 V.

Rys.
1. Schemat układu elektronicznego.Rys. 1. Schemat układu elektronicznego.

Ze względu na położenie układu, czyli na drzwiach lub w ich pobliżu, układ powinien być mały, dlatego zdecydowano się na montaż powierzchniowy. Zastosowanie elementów SMD to dostęp do szerszej oferty nowoczesnych części, które nie są już produkowane w obudowach przewlekanych.

Sercem układu jest przetwornica DC-DC typu BUCK-BOOST TPS63020 (U1) firmy Texas Instruments. Przetwornica ta została dobrana ze względu na jej napięcie wejściowe od 1,8 V do 5,5 V, prąd wyjściowy do 4 A oraz jej wysoką sprawność, tj. ok 90%. Napięcie wyjściowe zostało ustawione na wartość 4,2 V. Innowacyjność przetwornicy TPS63020 polega na dwóch trybach pracy.

W trybie BOOST układ pracuje w trybie podnoszenia napięcia wejściowego, jeżeli napięcie wejściowe jest niższe od 4,2 V. Przy napięciu wejściowym wyższym przetwornica przełącza się w tryb BUCK i obniża napięcie. W ten sposób niezależnie od prędkości otwierania drzwi, a więc niezależnie od parametrów energii elektrycznej generowanej przez prądnicę, przetwornica stara się wymuszać napięcie optymalne do ładowania akumulatora. Aby zminimalizować straty, zamiast zwykłych kondensatorów elektrolitycznych zastosowano kondensatory tantalowe firmy Kemet i AVX, których prąd upływności wynosi maksymalnie 2 µA.

Rys. 2. Schemat blokowy części elektrycznej urządzeniaRys. 2. Schemat blokowy części elektrycznej urządzenia

Sekcja wejściowa składa się z pinów podłączenia prądnicy, przełącznika, mostka Graetza, kondensatora filtrującego oraz zabezpieczenia napięciowego w postaci diody Zenera. W lewym górnym rogu płytki znajdują się dwa piny (WE-1) służące do przyłączenia prądnicy.

Prąd następnie może być, za pomocą przełącznika wpiętego w trzy piny WYL-1, skierowany do przetwornicy albo rezystor 22 Ω/5 W (R4). Uzyskano w ten sposób możliwość odłączenia przetwornicy, jednocześnie nie tworząc niebezpieczeństwa przepięć w uzwojeniach prądnicy, ponieważ cały czas obciążona jest ona rezystancją. Rezystor ma wystarczającą moc i wielkość, aby bezpiecznie rozproszyć energię. W trybie ładowania akumulatora napięcie jest prostowane dwupołówkowo przez typowy mostek Graetza (D1-D4).

Fot. 6. Sercem układu jest przetwornica DC-DC typu BUCK-BOOST TPS63020 (U1).Fot. 6. Sercem układu jest przetwornica DC-DC typu BUCK-BOOST TPS63020 (U1).

Napięcie wejściowe jest na poziomie bateryjnym (3 – 6 V), w związku z tym użycie typowych diod prostowniczych ze złączem PN o spadku napięcia zaczynającym się od 0,5 V powodowałoby proporcjonalnie spore straty energii. Rozwiązanie, jakie zastosowano to diody Schotkiego, których minimalne napięcie przewodzenia wynosi około 0,150 V, w przypadku normalnej pracy przetwornicy maksymalnie 0,3 V, a maksymalne napięcie zaporowe wynoszące około 40 V jest wystarczające. Użyte diody zostały dobrane tak, aby napięcie przewodzenia było jak najmniejsze, a maksymalny prąd pracy był znacznie większy niż zakładany. Wybrane zostały prostownicze diody Schotkiego 30BQ060PBF firmy Vishay. Za mostkiem znajduje się kondensator tantalowy C9 o pojemności 470 µF, którego zadaniem jest filtracja napięcia, tak aby miało ona charakter napięcia stałego. Ostatnim elementem w sekcji wejściowej, jest dioda Zenera (D5) o napięciu 5,1 V i mocy 3 W. Stanowi ona zabezpieczenie aby na wejściu przetwornicy nie pojawiło się większe napięcie niż dopuszczalne (5,5 V).

Fot. 7. Sekcja wejściowa przetwornicy.Fot. 7. Sekcja wejściowa przetwornicy.

Jeżeli ktoś bardzo szybko otworzy drzwi i napięcie wejściowe przetwornicy przekroczy 5,1 V, to dioda Zenera przebije się, tworząc zwarcie dla napięcia wejściowego. spowoduje to przepływ prądu przez diodę i spadek napięcia generowanego przez prądnicę. W ten sposób dioda Zenera zabezpiecza wejście, jednocześnie moc diody wynosząca 3 W powoduje, że dioda na pewno się nie spali. W trybie normalnej pracy, nawet przy szybkich ruchach drzwi napięcie nie przekracza 5 V, więc dioda się nie przebija, stanowi ona jedynie zabezpieczenie w sytuacjach ekstremalnych.

Sekcja wyjściowa składa się z wyjść na przyrządy pomiarowe, złącza akumulatora i wyjść. W górnej części płytki kolejne wyprowadzenia to od lewej: złącze amperomierza, złącze woltomierza, złącze akumulatora, złącze wyłącznika.

Fot. 8. Sekcja wyjściowa przetwornicy.Fot. 8. Sekcja wyjściowa przetwornicy.

Po prawej stronie płytki na górze złącze stałe, poniżej złącze odłączane. Układ wyłączania napięcia składa się z czterech elementów: elementu światłoczułego w postaci fotorezystora (R5), potencjometru (R6), pojedynczej bramki logicznej NOT z przerzutnikiem Schmitta (IC1) oraz tranzystora MOSFET (Q1). Układ czujnika światła jest bardzo prosty, jednak dobór elementów realizujących go okazał się skomplikowany. Najważniejszym założeniem przy projektowaniu czujnika było maksymalne ograniczenie poboru prądu, ponieważ kiedy wyjścia są włączone, układ cały czas jest podłączony do akumulatora.

Zasada działania czujnika

Fotorezystor i potencjometr tworzą dzielnik napięcia, który podaje napięcie na wejście bramki logicznej. Tranzystor MOSFET stanowi wyłącznik, który łączy pin wyjścia do masy. Kiedy bramka tranzystora nie jest spolaryzowana, masa jest odłączona i prąd nie płynie. Jeśli oświetlenie jest mocne, fotorezystor ma mały opór i na wejście bramki podawany jest stan wysoki, co powoduje niski stan na wyjściu bramki, a więc niski stan na bramce tranzystora. Natomiast jeśli oświetlenie jest słabe, wtedy fotorezystor ma większy opór, co powoduje pojawienie się napięcia na wejściu bramki – stan niski. Bramka wystawia wysoki stan na wyjściu, co polaryzuje bramkę tranzystora i pin do masy. Użycie potencjometru umożliwia regulację natężenia światła, które przełącza bramkę, co w efekcie może powodować włączenie oświetlenia. W trakcie pracy czujnika dzielnik napięcia jest odbiornikiem wpiętym pomiędzy plus akumulatora, a masę, dlatego należało tak dobrać rezystancję dzielnika napięcia, aby była jak największa. Potencjometr ma maksymalny opór 1 MΩ, natomiast opór fotorezystora zawiera się między 200 kΩ dla dużego natężenia światła, a 2 - 3 MΩ dla małego, do 20 MΩ w całkowitej ciemności. Tak dobrane wartości oporów elementów dzielnika napięcia zapewniają maksymalny pobór prądu 3,6 V/1 MΩ = 3,6 µA, a w praktyce pobór ten może być dużo mniejszy. Osobnym problemem był wybór bramki logicznej.

Fot. 9. Zastosowanie czujnika zmierzchowego poprawiło efektywność wykorzystania wyprodukowanej energii.Fot. 9. Zastosowanie czujnika zmierzchowego poprawiło efektywność wykorzystania wyprodukowanej energii.

Bramki CMOS pobierają prąd wyłącznie w trakcie przełączania, w pracy statycznej nie, tak jak w tym projekcie, gdzie bramka przełącza się maksymalnie kilka, a minimalnie dwa razy na dobę, najważniejszym parametrem był pobór prądu w trybie statycznym. Wybrano pojedynczą bramkę NOT z przerzutnikiem Schmitta SN74LVC1G14, której maksymalny pobór prądu w trybie statycznym wynosi 10 µA. Bramka logiczna polaryzuje jedynie bramkę tranzystora MOSFET, czyli kiedy wystawiona na wyjściu jest wartość wysoka to prąd wyjściowy bramki jest rzędu kilku pA.

Fot. 10. Podświetlony znak ewakuacyjny wyposażony w trzy diody ET-3014X-1J1W.Fot. 10. Podświetlony znak ewakuacyjny wyposażony w trzy diody ET-3014X-1J1W.

Zwykłe bramki logiczne małą próg przełączania w pobliżu 30% napięcia zasilania. Zastosowanie takiej bramki w projektowanej aplikacji spowodowałoby pojawienie się stanów przejściowych. Powodowałoby to miganie oświetlenia lub szybkie przełączanie zasilania, zauważalne dla oka w postaci słabszego świecenia oświetlenia. W zastosowanej bramce logicznej wybudowany jest przerzutnik Schmitta, dzięki któremu progi przełączania bramki wynoszą 30% i 70% napięcia zasilania bramki. Taka histereza wyklucza pojawianie się stanów nieustalonych i zapewnia poprawne działanie czujnika oświetlenia. Tranzystor kluczujący to IRF8707. Jest to tranzystor MOSFET, charakteryzujący się maksymalnym prądem przewodzenia 11 A, małą rezystancją dren- źródło i co najważniejsze jest to tranzystor typu logic level, a więc napięcie z akumulatora 3,6 V podane na bramkę pozwala na pełne otwarcie tranzystora.

Charakterystycznym zjawiskiem dla akumulatorów jest ich uszkodzenie w przypadku zbyt głębokiego wyładowania. Na płytce nie zamontowano jednak żadnych elementów mających odciąć obciążenie w przypadku zbyt dużego spadku napięcia akumulatora. Wyłącznik taki jest niepotrzebny, ponieważ układ jest przewidziany do zasilania oświetlenia zrealizowanego na białych diodach LED. Diody LED dużej mocy mają napięcie przewodzenia około 3 V i kiedy napięcie na akumulatorze spadnie poniżej 3 V, diody nie zostaną spolaryzowane i prąd nie będzie płynął.

Fot. 11. Reflektor z dwiema diodami ET-5630W-AJ1W o łącznym poborze prądu 300 mA oraz obudowa halogenowa z przygotowaną płytkę, na której zamontowano cztery diody ET-5630H-1F2W o łącznym poborze prądu 240 mA.Fot. 11. Reflektor z dwiema diodami ET-5630W-AJ1W o łącznym poborze prądu 300 mA oraz obudowa halogenowa z przygotowaną płytkę, na której zamontowano cztery diody ET-5630H-1F2W o łącznym poborze prądu 240 mA.

Układ elektroniczny, akumulator oraz przełączniki, zostały zamontowane w skrzynce. W celu prezentacji układu wycięte zostało okienko, dzięki któremu także działa czujnik zmierzchowy.

Elementy wykonawcze

W zaprezentowanym modelu, zainstalowano trzy odbiorniki – lampy wyposażone w nowoczesne źródło światła, w postaci diod LED. Pierwszą lampą jest podświetlony znak ewakuacyjny.

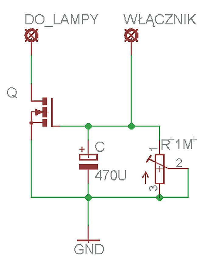
Rys. 3. Schemat elektryczny wyłącznika.Rys. 3. Schemat elektryczny wyłącznika.

Powszechnie w takich lampach do pod- świetlenia służy świetlówka o mocy 11 W. W naszym modelu zamiast świetlówki zastosowano trzy diody ET-3014X-1J1W firmy EDISON OPTO, których łączny prąd został ograniczony rezystorem i wynosi około 70 mA. Lampa została dodatkowo wyposażona w wyłącznik po lewej stronie obudowy. Uzyskany pobór prądu pozwala na całonocną pracę lampy, co powoduje połowiczne wyładowanie akumulatora.

Dwa pozostałe źródła światła, służą za model oświetlenia klatki schodowej lub terenu przed drzwiami wejściowymi. Pierwszy z lewej reflektor jest typowym reflektorem przystosowanym do diod LED (posiada podłoże na diody), w którym zastosowano dwie diody ET-5630W-AJ1W o łącznym poborze prądu 300 mA.

Diody te generują około 110 lm światła. Drugi reflektor ma za zadanie zaprezentowanie, że w przypadku zastosowania nowoczesnych diod, które nie wymagają radiatora, nie jest konieczne zastosowanie specjalnej obudowy a wystarczy zwykła, popularna obudowa halogenowa. Zamiast żarówki halogenowej włożono przygotowaną płytkę, na której zamontowano cztery diody ET-5630H-1F2W firmy EDISON OPTO, o łącznym poborze prądu 240 mA. Rozwiązanie takie jest tanie oraz umożliwia wykorzystanie istniejących już obudów przytwierdzonych do elewacji budynków. Zmiana z zasilania sieciowego na akumulatorowe polegałaby jedynie na wymianie źródła światła i przepięcia przewodów.

Łączny prąd pobierany przez oświetlenie wynosi 540 mA, w związku z tym, po odjęciu energii pobranej przez znak ewakuacyjny, oświetlenie może działać ciągle przez ponad godzinę bez doładowania. W celu ograniczenia zużycia energii zastosowano wyłącznik czasowy, podobnie jak to jest powszechnie realizowane na klatkach schodowych. Wykonanie wyłącznika, który opóźniałby wyłączenie oświetlenia po naciśnięciu przycisku ściennego jest bardzo proste w przypadku oświetlenia małej mocy. Zastosowano układ opierający swoje działanie na tranzystorze MOSFET, który łączy - zamyka obwód do masy. Bramka tranzystora jest polaryzowana za pomocą napięcia z łącznika, który znajduje się na ścianie. Napięcie ładuje kondensator podtrzymujący.

Fot. 12. Układ pomiarowy.Fot. 12. Układ pomiarowy.

Czas świecenia jest regulowany poprzez potencjometr, który jest równolegle połączony z kondensatorem powodując jego rozładowanie. Po chwili świecenia (około 2 minut), napięcie na bramce spada do poziomu, w którym tranzystor zaczyna się zamykać. Objawia się to poprzez powolne przygasanie światła, co jest sygnałem o konieczności ponownego naciśnięcia przycisku. Zastosowanie tranzystora MOSFET ma w tym wypadku dodatkowy plus, ponieważ kiedy oświetlenie nie zostanie załączone, układ nie pobiera prądu (jest odcięty od ujemnego bieguna akumulatora).

Układ pomiarowy

Dodatkowo wykonano układ pomiarowy składający się z dwóch mierników. Pierwszy to woltomierz, mierzący napięcie akumulatora, które w chwili pracy prądnicy jest też napięciem ładowania, a w czasie obciążenia akumulatora napięciem w instalacji. Rezystancja wejściowa woltomierza wynosi co najmniej 10 MΩ, więc można założyć, że nie rozładowuje on akumulatora.

Drugi to amperomierz, zrealizowany za pomocą bocznika i woltomierza mierzący prąd ładowania akumulatora.
Mierniki zasilane są z dwóch baterii 9 V.

ZESPÓŁ REALIZUJĄCY PROJEKT

Uczniowie Zespołu Szkół Mechanicznych im Arki Bożka w Raciborzu:

  • Karol Kostka – lider zespołu,
  • Tomasz Fiutek,
  • Paweł Pławecki.

Opiekun zespołu: mgr inż. Ignacy Szubryt.

 


Fachowy Elektryk poleca

Gdzie zamówić?

Jesteś zainteresowany podobnymi produktami lub usługami?
Kliknij w wybraną wizytówkę, żeby dowiedzieć się więcej.



x